Material – table of temperatures and properties
| Product | Operation | Compressive | Compressive | Flexural | Thermal | Linear | Dielectric | Comparative | Flammability | Arc- | Density | ||||
| Name | Temperature | Strength | Strength | Strength | Conductivity | Coefficient of | Strength | Tracking | Resistance | Colour | Product Size | Thickness | |||
| Expansion | Index | VDE0303-71 | |||||||||||||
| (℃) | (N/mm2) | (N/mm2) | (N/mm2) | (W/mK) | (10-6I/K) | (KV/3mm) | UL94 | (Seconds) | (mm) | (mm) | g/cm3 | ||||
| long-term | short-term | at 23℃ | at 200℃ | at 23℃ | |||||||||||
| PROMISE110 | 110 | 110 | 320 | 100 | 0,2 | 30 | 1,5 | CTI 100 | – | Brown | 1010*2050 | 0.5~80 | 1.4 | ||
| PROMISE120 | 120 | 120 | 300 | 135 | 0,2 | 30 | 10 | CTI 100 | – | Brown | 1010*2040 | 0.5~80 | 1.4 | ||
| PROMISE155 | 155 | 210 | 250 | 130 | 0,3 | 22 | 36 | CTI 600 | V0 | >180 | white/red | 1230*2100 | 0.5~80 | 1.8 | |
| PROMISE 210D | 200 | 210 | 330 | 120 | 140 | 0.18 | 18 | >420 | white/red/bule/black | 1300*2500 | 0.5~80 | 1.8 | |||
| PROMISE210A | 180 | 210 | 600 | 450 | 0,3 | 15 | 30 | CTI 350 | – | Yellow/Green | 1220*2440 | 0.5~80 | 1.9 | ||
| PROMISE 250 G | 250 | 260 | 570 | 350 | 400 | 0,23 | 20 | 30 | CTI 350 | – | Dark brown | 1010*2050 | 0.5~80 | 1.9 | |
| PROMISE220B | 220 | 230 | 500 | 260 | 500 | 0.21 | 20 | Brown | 1010*2050 | 0.5~80 | 1.9 | ||||
| PROMISEFR4 | 130 | 200 | 500 | 350 | 260 | 0.19 | 15 | CTI 200 | V0 | Pale green | 1220*2040 | 0.5~80 | 1.9 | ||
| PROMISE NS | 270 | 280 | 400 | 260 | 120 | 0,25 | 16 | 30 | CTI 450 | V0 | White | 1220*2440 | 0.5~80 | 1.8 | |
| PROMISE600M | 500 | 600 | 400 | 230 | 0.15 | 12 | 75 | CTI 500 | V0 | >420 | Gray | 1020*2420 | 0.5~80 | 2.1 | |
| PROMISE700M | 700 | 700 | 120 | 32 | 0.37 | 6 | 8.7 | >370 | White | 910*1220 | 10~80 | 1.75 | |||
| PROMISE800M | 800 | 800 | 330 | 170 | 0,26 | 10 | 75 | CTI 525 | V0 | >420 | Brown | 1020*2420 | 0.5~80 | 2.1 | |
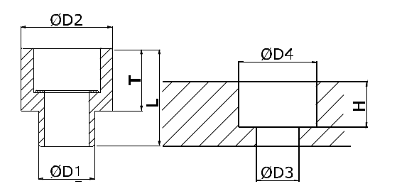
Our insulating bushes are made of high quality material PROMISE 210A.
You can use them electrically strip screws in your welding and positioning preparations.
To guarantee electrical insulation, thermosetting screw head insulators are used. In contrast to thermoplastic insulators, these components have much greater compressive strength and will not be crushed.
About screw head insulation, we have standard insulation bushes of PROMISE 210A
Art no | Ød1(mm) | ØD1(mm) | T(mm) | Ød3(mm) | ØD4(mm) | H(mm) | L(mm) | |
M4 | 1462P93652 | 6.5 | 11.5 | 8 | 7 | 13 | 8 | 14 |
M5 | 1462P93653 | 7.5 | 13 | 9 | 8 | 14 | 9 | 14 |
M6 | 1462P93655 | 8.5 | 14.5 | 10 | 9 | 8 | 10 | 15 |
M8 | 1462P93657 | 10.5 | 17.5 | 12 | 11 | 20 | 12 | 17 |
M10 | 1462P93658 | 12.5 | 20.5 | 14 | 13 | 24 | 14 | 18 |
M12 | 1462P93659 | 14.5 | 22.5 | 16 | 15 | 26 | 16 | 21 |
Value to Our Customers:
· Compressive strength 600N/mm2 at 23℃
· Thermosetting plastics do not flow under pressure
· Temperature up to 180℃
· High stability of material
· Small size, light weight,
· High tensile strength,
· Excellent anti-fouling flashover performance
Material – table of temperatures and properties
| Product | Operation | Compressive | Compressive | Flexural | Thermal | Linear | Dielectric | Comparative | Flammability | Arc- | Density | ||||
| Name | Temperature | Strength | Strength | Strength | Conductivity | Coefficient of | Strength | Tracking | Resistance | Colour | Product Size | Thickness | |||
| Expansion | Index | VDE0303-71 | |||||||||||||
| (℃) | (N/mm2) | (N/mm2) | (N/mm2) | (W/mK) | (10-6I/K) | (KV/3mm) | UL94 | (Seconds) | (mm) | (mm) | g/cm3 | ||||
| long-term | short-term | at 23℃ | at 200℃ | at 23℃ | |||||||||||
| PROMISE110 | 110 | 110 | 320 | 100 | 0,2 | 30 | 1,5 | CTI 100 | – | Brown | 1010*2050 | 0.5~80 | 1.4 | ||
| PROMISE120 | 120 | 120 | 300 | 135 | 0,2 | 30 | 10 | CTI 100 | – | Brown | 1010*2040 | 0.5~80 | 1.4 | ||
| PROMISE155 | 155 | 210 | 250 | 130 | 0,3 | 22 | 36 | CTI 600 | V0 | >180 | white/red | 1230*2100 | 0.5~80 | 1.8 | |
| PROMISE 210D | 200 | 210 | 330 | 120 | 140 | 0.18 | 18 | >420 | white/red/bule/black | 1300*2500 | 0.5~80 | 1.8 | |||
| PROMISE210A | 180 | 210 | 600 | 450 | 0,3 | 15 | 30 | CTI 350 | – | Yellow/Green | 1220*2440 | 0.5~80 | 1.9 | ||
| PROMISE 250 G | 250 | 260 | 570 | 350 | 400 | 0,23 | 20 | 30 | CTI 350 | – | Dark brown | 1010*2050 | 0.5~80 | 1.9 | |
| PROMISE220B | 220 | 230 | 500 | 260 | 500 | 0.21 | 20 | Brown | 1010*2050 | 0.5~80 | 1.9 | ||||
| PROMISEFR4 | 130 | 200 | 500 | 350 | 260 | 0.19 | 15 | CTI 200 | V0 | Pale green | 1220*2040 | 0.5~80 | 1.9 | ||
| PROMISE NS | 270 | 280 | 400 | 260 | 120 | 0,25 | 16 | 30 | CTI 450 | V0 | White | 1220*2440 | 0.5~80 | 1.8 | |
| PROMISE600M | 500 | 600 | 400 | 230 | 0.15 | 12 | 75 | CTI 500 | V0 | >420 | Gray | 1020*2420 | 0.5~80 | 2.1 | |
| PROMISE700M | 700 | 700 | 120 | 32 | 0.37 | 6 | 8.7 | >370 | White | 910*1220 | 10~80 | 1.75 | |||
| PROMISE800M | 800 | 800 | 330 | 170 | 0,26 | 10 | 75 | CTI 525 | V0 | >420 | Brown | 1020*2420 | 0.5~80 | 2.1 | |
Our insulating bushes are made of high quality material PROMISE 210A.
You can use them electrically strip screws in your welding and positioning preparations.
To guarantee electrical insulation, thermosetting screw head insulators are used. In contrast to thermoplastic insulators, these components have much greater compressive strength and will not be crushed.
About screw head insulation, we have standard insulation bushes of PROMISE 210A
Art no | Ød1(mm) | ØD1(mm) | T(mm) | Ød3(mm) | ØD4(mm) | H(mm) | L(mm) | |
M4 | 1462P93652 | 6.5 | 11.5 | 8 | 7 | 13 | 8 | 14 |
M5 | 1462P93653 | 7.5 | 13 | 9 | 8 | 14 | 9 | 14 |
M6 | 1462P93655 | 8.5 | 14.5 | 10 | 9 | 8 | 10 | 15 |
M8 | 1462P93657 | 10.5 | 17.5 | 12 | 11 | 20 | 12 | 17 |
M10 | 1462P93658 | 12.5 | 20.5 | 14 | 13 | 24 | 14 | 18 |
M12 | 1462P93659 | 14.5 | 22.5 | 16 | 15 | 26 | 16 | 21 |
Value to Our Customers:
· Compressive strength 600N/mm2 at 23℃
· Thermosetting plastics do not flow under pressure
· Temperature up to 180℃
· High stability of material
· Small size, light weight,
· High tensile strength,
· Excellent anti-fouling flashover performance
PRONEWMAT specializes in the machining and manufacturing of composite materials, engineering plastics .......
+ 86-139-1413-1286 + 86-510-81728520
+ 86-139-1413-1286